用专业的服务做您坚实的后盾 提供7X24小时的技术支持,根据需求定制个性化服务。
解决方案>汽车行业解决方案>刹车泵主缸体
汽车行业解决方案—刹车泵主缸体
工 件:刹车泵主缸体
工件材质:铝合金

OP10:套镗主缸孔外圆,钻主缸孔孔口,锪孔口端面
1.钻孔
2.内孔倒角
3.镗台阶孔
4.锪面
5.套镗及其倒角
6.锪大面

OP20:钻、扩主缸孔,并平底面
整体硬质合金钻头:

整体硬质合金平头钻:

切削参数:
Vc | m/min |
n | rpm |
fz | mm |
fr | mm/转 |
OP30:成形铣主缸孔密封槽


切削参数:
Vc | m/min |
n | rpm |
fz | mm |
fr | mm/转 |
OP40:镗主缸孔孔底D24.2孔


切削参数:
Vc | m/min |
n | rpm |
fz | mm |
fr | mm/转 |
OP50:铣主缸孔孔底D25环形槽
焊接PCD T槽铣刀


切削参数:
Vc | m/min |
n | rpm |
fz | mm |
fr | mm/转 |

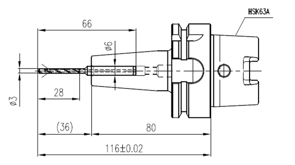
OP60:钻孔3.8、6.2、8.8成

切削参数:
Vc | 160m/min |
n | 9181rpm |
fz | 0.15mm |
fr | 0.15mm/转 |

OP70:铰主缸孔成


OP80:扩、铣储液罐进、出油联接孔及倒角成锪孔底平面成
PCD刀具

OP90:钻进油孔和补偿孔


OP100:钻分泵缸联接孔
攻联接螺纹成

上一篇:液压阀体加工
下一篇:凸轮轴